语言切换
中文
RU
ESP
Rotary Cylinder, Power Chuck, Collet Chuck
Home > Products > Power Chuck
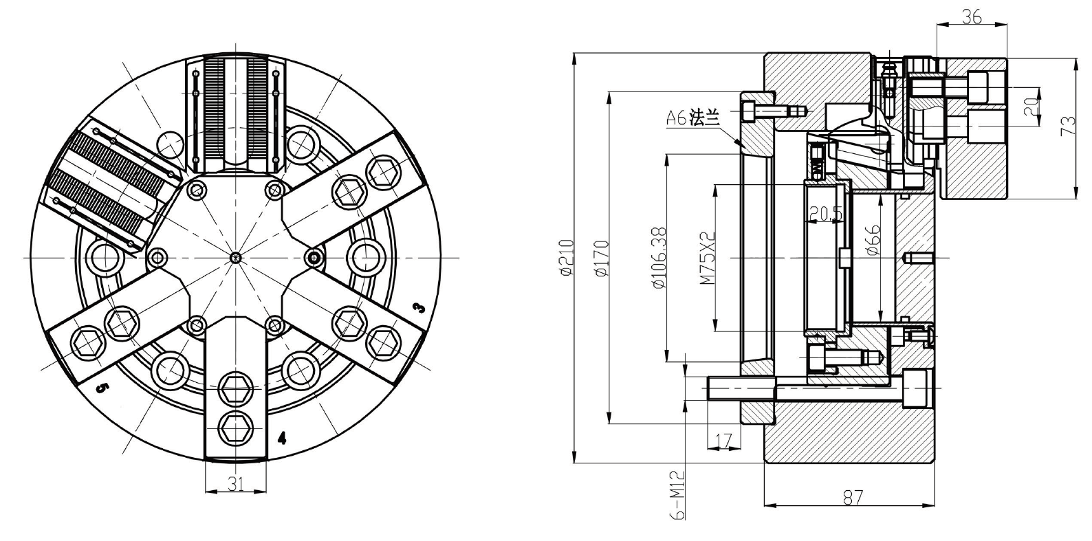
Product Size
Product Parameters
None
Related Products
QZ3 Front Load Pneumatic Power Chuck
The connecting between the chuck and main shaft complies with the national standard (short cylinder connecting mode),so users only need to prepare right connection flange compatible with the machine tool and chuck instead of changing the machine tool structure during installation.
YK15-5 Five-jaw vertical lathe solid power chuck
Universal solid waterproof chuck for vertical and horizontal lathes are suitable for vertical lathes and Horizontal lathes. There is a seal on the end face of the disc body, which can prevent iron filings and cutting water from entering the chuck and prolong the service life of the chuck.
K4L breaker Power chucks
K4L series breaker chucks are suitable for use on lathes for processing breaker cylinders. We can specially design special jaws according to the workpieces processed by users, which can realize one set of jaws for processing several different sizes of workpieces.
K4SL 4-jaw double-action power chuck
K4SL series four-jaw double-action power chuck has two independent self-centering mechanisms. This product is a hydraulic 2+2 jaw power chuck, driven by a double-rod rotary cylinder.
How to clean the electromechanical components of hydraulic Center Rest support machine?
Dec. 05, 2025
How to choose the right chuck
Vertical CNC lathe for milling end faces and drilling center holes
What are the operating procedures for Hydraulic Center Rest?
Dec. 04, 2025
Common Chuck Faults and Troubleshooting---Oil Leakage
TAGS
send Message